 |
|
◆產品結構特點
德標卡套式軟密封旋塞閥適用于公稱壓力PN1.6-16MPa,工作溫度-29-180℃的石油、化工、制藥、化肥、電力行業等各種工況的管路上,切斷或接通管路介質。
◆其主要結構特點
1、產品結構合理、密封可靠、性能優良、造型美觀。
2、它的密封性是通過卡套四周的密封面來實現的。獨特的360°金屬唇邊保護固定卡套。
3、閥門沒有空腔給介質積聚。
4、金屬唇邊在旋塞轉時提供自潔的作用,適合于粘稠和易結垢的工況。
5、雙向流動,安裝使用更方便。
6、零件材質及法蘭尺寸可根據實際工況或用戶要求合理選配,滿足各種工程需要。
|
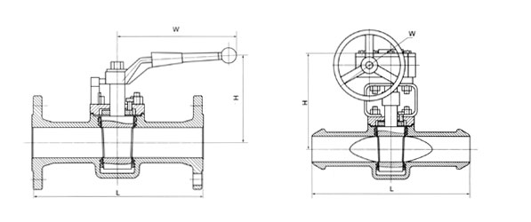
| 結構形式 |
BC |
| 驅動方式 |
手柄,蝸輪蝸桿傳動,氣動,電動 |
| 設計標準 |
API599,API6D |
| 結構長度 |
DIN 3202F1 |
| 連接法蘭 |
DIN 2543-2549 |
| 試驗和檢驗 |
DIN3230 |
| 公稱壓力(MPa) |
殼體試驗壓力(MPa) |
密封試驗壓力(MPa) |
適用溫度(℃) |
使用介質 |
| 1.6 |
2.4 |
1.76 |
≤180℃ |
水、蒸汽、油品等 |
| 2.5 |
3.75 |
2.75 |
| 4.0 |
6.0 |
4.4 |
| 6.4 |
9.6 |
7.04 |
| 10.0 |
15.0 |
11.0 |
| 16.0 |
24.0 |
17.6 |
| 序號 |
名稱 |
材質 |
| 1 |
閥體 |
GS-C25 1.7363 1.4308、1.4408、1.4306、1.4301 |
| 2 |
卡套 |
PTFE |
| 3 |
塞子 |
ASTM A182-Gr.F6a ASTM A182-F22 ASTM A182-F304,F316,F321,F304L,F316L |
| 4 |
墊片 |
柔性石墨+不銹鋼 |
| 5 |
調整墊 |
ASTM A182-Gr.F6a ASTM A182-F22 ASTM A182-F304,F316,F321,F304L,F316L |
| 6 |
閥蓋 |
GS-C25 1.7363 1.4308、1.4408、1.4306、1.4301 |
| 7 |
調整螺栓 |
ASTM A193-B7,A320-B8,A193-B8M |
| 8 |
六角螺母 |
ASTM A194-2H,A194-8,A194-8M |
| 9 |
螺栓 |
ASTM A193-B7,A320-B8,A913-B8M |
| 10 |
支架 |
Q235、WCB |
| 11 |
蝸輪 |
|

| 型號 |
X43-16 |
| 壓力等級 |
PN16 |
| 口徑 |
15 |
20 |
25 |
32 |
40 |
50 |
65 |
80 |
100 |
125 |
150 |
200 |
250 |
300 |
350 |
| L |
130 |
150 |
160 |
180 |
200 |
230 |
290 |
310 |
350 |
400 |
480 |
600 |
730 |
850 |
980 |
| H |
150 |
155 |
160 |
180 |
190 |
200 |
220 |
230 |
380 |
460 |
520 |
580 |
620 |
680 |
740 |
| W |
300 |
300 |
300 |
350 |
400 |
500 |
500 |
550 |
300 |
300 |
320 |
320 |
350 |
380 |
380 |
| 重量(kg) |
9 |
10 |
11 |
13 |
14 |
19 |
23 |
27 |
43 |
62 |
75 |
155 |
222 |
390 |
580 |
| 型號 |
X43-25 |
| 壓力等級 |
PN25 |
| 口徑 |
15 |
20 |
25 |
32 |
40 |
50 |
65 |
80 |
100 |
125 |
150 |
200 |
250 |
300 |
350 |
| L |
130 |
150 |
160 |
180 |
200 |
230 |
290 |
310 |
350 |
400 |
480 |
600 |
730 |
850 |
980 |
| H |
150 |
155 |
160 |
180 |
190 |
200 |
220 |
230 |
380 |
460 |
520 |
580 |
620 |
680 |
740 |
| W |
300 |
300 |
300 |
350 |
400 |
500 |
500 |
550 |
300 |
300 |
320 |
320 |
350 |
380 |
380 |
| 重量(kg) |
10 |
11 |
13 |
15 |
17 |
22 |
31 |
55 |
77 |
88 |
190 |
190 |
235 |
399 |
630 |

| 型號 |
X43-40 |
| 壓力等級 |
PN40 |
| 口徑 |
15 |
20 |
25 |
32 |
40 |
50 |
65 |
80 |
100 |
125 |
150 |
200 |
250 |
300 |
350 |
| L |
130 |
150 |
160 |
180 |
200 |
230 |
290 |
310 |
350 |
400 |
480 |
600 |
730 |
850 |
980 |
| H |
190 |
195 |
225 |
260 |
280 |
310 |
340 |
395 |
435 |
470 |
535 |
590 |
630 |
680 |
720 |
| W |
120 |
140 |
140 |
180 |
200 |
220 |
260 |
280 |
300 |
340 |
400 |
450 |
450 |
500 |
500 |
| 重量(kg) |
12 |
14 |
18 |
21 |
24 |
29 |
33 |
39 |
75 |
103 |
146 |
251 |
337 |
521 |
720 |
| 型號 |
X43-64 |
| 壓力等級 |
PN64 |
| 口徑 |
15 |
20 |
25 |
32 |
40 |
50 |
65 |
80 |
100 |
125 |
150 |
200 |
250 |
300 |
350 |
| L |
130 |
150 |
160 |
180 |
200 |
230 |
290 |
310 |
350 |
400 |
480 |
600 |
730 |
850 |
980 |
| H |
190 |
195 |
225 |
260 |
280 |
310 |
340 |
395 |
435 |
470 |
535 |
590 |
630 |
680 |
720 |
| W |
120 |
140 |
140 |
180 |
200 |
220 |
260 |
280 |
300 |
340 |
400 |
450 |
450 |
500 |
500 |
| 重量(kg) |
14 |
17 |
22 |
25 |
29 |
34 |
43 |
50 |
94 |
123 |
170 |
291 |
430 |
625 |
875 |
|
|
免責聲明:以下信息由企業自行提供,內容的真實性、準確性和合法性由發布企業負責。鍋爐信息網對此不承擔任何保證責任。