D371J蝸輪對夾襯膠蝶閥
設計與制造:GB12238
結構長度:GB12238
法蘭連接尺寸:GB4216
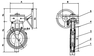
部件列表:1、閥體 2、閥座 3、蝶板 4、閥桿 5、蝸輪裝置
一、用途
|
密封圈材料代號
|
適用溫度
|
適用介質
|
|
NR
|
≤85℃
|
水、空氣、酸堿類
|
|
CR
|
≤85℃
|
水、煤氣、酸堿類
|
|
NBR
|
≤100℃
|
水、油品
|
|
EPDM
|
≤120℃
|
水、蒸汽、一般酸堿類
|
|
FKM
|
≤150℃
|
水、蒸汽、強酸堿類
|
二、材料
|
閥體
|
鑄鐵、球墨鑄鐵、碳鋼、不銹鋼
|
|
蝶板
|
鑄鐵、球墨鑄鐵、碳鋼、不銹鋼、碳鋼完全包覆橡膠或氟塑料
|
|
閥桿
|
碳鋼鍍鎳磷、不銹鋼
|
|
閥座密封圈
|
天然膠NR、氯丁膠CR、丁腈膠NBR、三元乙丙膠EPDM、氟橡膠FKM
|
|
蝸輪裝置
|
組合件
|
壓力等級:PN(MPa) 1.0 1.6
三、測試
襯里層:電火花檢測
試驗與檢驗按GB/T13927標準
公稱壓力:PN(MPa)
閥體:PN×1.5
密封:PN×1.1
四、主要尺寸參數
|
公稱通徑DN
|
公稱壓力MPa
|
工作壓力MPa
|
L
mm
|
D
mm
|
D1
mm
|
n-Φd
mm
|
H1
mm
|
H2
mm
|
Do
mm
|
H3
mm
|
A
mm
|
B
mm
|
質量
Kg/kilos
|
|
40
|
1.0
|
1.0
|
33
|
150
|
110
|
4-18
|
55
|
100
|
150
|
62
|
164
|
125
|
6
|
|
50
|
43
|
165
|
125
|
4-18
|
64
|
120
|
150
|
62
|
164
|
125
|
7
|
|
65
|
46
|
185
|
145
|
4-18
|
80
|
120
|
208
|
62
|
164
|
125
|
10
|
|
80
|
46
|
200
|
160
|
8-18
|
112
|
130
|
260
|
62
|
164
|
125
|
11
|
|
100
|
52
|
220
|
180
|
8-18
|
90
|
140
|
275
|
62
|
164
|
125
|
12
|
|
125
|
56
|
250
|
210
|
8-18
|
112
|
160
|
350
|
106
|
289
|
200
|
18
|
|
150
|
56
|
285
|
240
|
8-22
|
135
|
175
|
350
|
106
|
289
|
200
|
29
|
|
200
|
60
|
340
|
295
|
8-22
|
160
|
210
|
240
|
106
|
289
|
200
|
34.5
|
|
250
|
0.6
|
68
|
395
|
350
|
12-22
|
206
|
235
|
240
|
106
|
289
|
200
|
44
|
|
300
|
78
|
445
|
400
|
12-22
|
232
|
273
|
320
|
112
|
370
|
253
|
64.5
|
|
350
|
78
|
505
|
450
|
16-22
|
263
|
310
|
320
|
112
|
370
|
253
|
75.5
|
|
400
|
102
|
565
|
515
|
16-26
|
295
|
340
|
400
|
270
|
562
|
280
|
156
|
|
450
|
114
|
615
|
565
|
20-26
|
327
|
370
|
400
|
270
|
562
|
280
|
171.5
|
|
500
|
127
|
670
|
620
|
20-26
|
358
|
399
|
400
|
270
|
562
|
280
|
206.5
|
|
550
|
0.4
|
140
|
730
|
675
|
20-30
|
384
|
430
|
400
|
270
|
562
|
280
|
215
|
|
600
|
154
|
780
|
725
|
20-30
|
474
|
460
|
500
|
270
|
562
|
280
|
283
|
|
700
|
165
|
895
|
840
|
24-30
|
486
|
510
|
500
|
125
|
503
|
443
|
426
|
|
800
|
190
|
1015
|
950
|
24-33
|
591
|
672
|
500
|
200
|
513
|
531
|
550
|
|
900
|
203
|
1115
|
1050
|
28-33
|
|
500
|
200
|
513
|
531
|
1070
|
|
1000
|
216
|
1230
|
1160
|
28-36
|
721
|
800
|
550
|
273
|
713
|
815
|
1296
|