| D71J對夾襯膠蝶閥 |
![]() |
||||||||||||||||||||||||||||||||||||||||||||||||||||||||||||||||||||||||||||||||||||||||||||||||||||||||||||||||
|
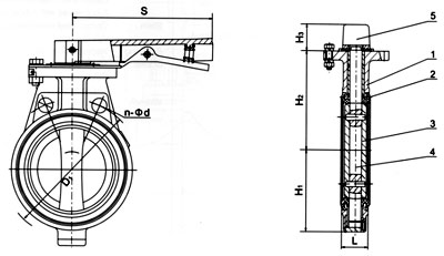
D71J對夾襯膠蝶閥 ![]() 設計與制造:GB12238
結構長度:GB12221(20系列) 法蘭連接尺寸:GB4216 部件列表:1.閥體 2.閥體襯里 3.隔膜 4.閥瓣 5.閥桿 6.閥蓋 7、手輪
一、用途
二、材料
三、測試
襯里層:電火花檢測
試驗與檢驗按GB/T13927標準 公稱壓力:PN(MPa) 閥體:PN×1.5 密封:PN×1.1 四、主要尺寸參數
|
免責聲明:以下信息由企業自行提供,內容的真實性、準確性和合法性由發布企業負責。鍋爐信息網對此不承擔任何保證責任。



