GIQ氣動真空蝶閥
用途和使用范圍:
GIQ系列氣動真空蝶閥是在1.3×10-5~3×105Pa的真空系統中用來開啟或隔斷氣流的閥門。
GIQ系列氣動真空蝶閥主要性能:
● 漏率:≤1.3×10-9Pa.M3/S;
● 適用壓力范圍:1.3×10-5Pa~3×105Pa;
● 工作溫度:氟橡膠-25℃~+150℃;
● 安裝位置:任意;
● 氣源壓力:0.4-0.6Mpa;
● 閥板兩側壓力差與閥門開、關無關;
● 壽命:≥10000次。
原理:
以電磁換向閥控制氣動執行機構,使閥桿轉動90°達到開關目的。
特點:
● 閥門能承受正壓力;
● 閥桿不上下竄動;
● 氣缸采用1/4旋轉式氣缸,角度可調 1°~5°。
主要零件材料:
體、桿、板 不銹鋼、碳鋼鍍鎳;
密封件 氟橡膠、氟橡膠
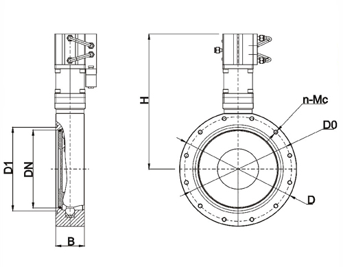
外形連接尺寸
|
型號
|
DN
|
D
|
D0
|
B
|
N
|
C
|
H
|
L
|
E
|
|
GIQ-32
|
32
|
90
|
70
|
22
|
4
|
9
|
187
|
158
|
58
|
|
GIQ-40
|
40
|
100
|
80
|
22
|
4
|
9
|
197
|
158
|
58
|
|
GIQ-50
|
50
|
110
|
90
|
22
|
4
|
9
|
207
|
158
|
58
|
|
GIQ-63
|
63
|
130
|
110
|
28
|
4
|
9
|
227
|
158
|
58
|
|
GIQ-80
|
80
|
145
|
125
|
28
|
8
|
9
|
242
|
158
|
58
|
|
GIQ-100
|
100
|
165
|
145
|
28
|
8
|
9
|
262
|
158
|
58
|
|
GIQ-125
|
125
|
200
|
175
|
34
|
8
|
11
|
323
|
172
|
70
|
|
GIQ-160
|
150
|
225
|
200
|
34
|
8
|
11
|
348
|
172
|
70
|
|
GIQ-200
|
200
|
285
|
260
|
40
|
12
|
11
|
450
|
197
|
97
|
|
GIQ-250
|
250
|
335
|
310
|
45
|
12
|
11
|
525
|
248
|
117
|
|
GIQ-320
|
300
|
425
|
395
|
50
|
12
|
14
|
622
|
248
|
117
|
|
GIQ-400
|
400
|
510
|
480
|
60
|
16
|
14
|
733
|
295
|
138
|
|
GIQ-500
|
500
|
610
|
580
|
70
|
16
|
14
|
900
|
360
|
159
|
|
GIQ-600
|
600
|
750
|
720
|
80
|
20
|
14
|
980
|
370
|
174
|
|
GIQ-800
|
800
|
920
|
890
|
100
|
24
|
14
|
1220
|
410
|
240
|
|
GIQ-1000
|
1000
|
1120
|
1090
|
120
|
32
|
14
|
1594
|
580
|
300
|
|
GIQ-1250
|
1250
|
1440
|
1404
|
150
|
36
|
19
|
2050
|
736
|
390
|
真空標準:JB919
|
型號
|
DN
|
D
|
D0
|
B
|
N
|
C
|
H
|
L
|
E
|
|
GIQ-32
|
32
|
78
|
64
|
22
|
4
|
7
|
175
|
134
|
58
|
|
GIQ-40
|
40
|
85
|
70
|
22
|
4
|
7
|
183
|
147
|
58
|
|
GIQ-50
|
50
|
110
|
90
|
22
|
4
|
9
|
207
|
170
|
58
|
|
GIQ-63
|
63
|
125
|
105
|
28
|
4
|
9
|
222
|
187
|
58
|
|
GIQ-80
|
80
|
145
|
125
|
28
|
4
|
9
|
243
|
212
|
58
|
|
GIQ-100
|
100
|
170
|
145
|
28
|
4
|
12
|
268
|
244
|
58
|
|
GIQ-125
|
125
|
195
|
170
|
34
|
4
|
12
|
318
|
280
|
70
|
|
GIQ-150
|
150
|
220
|
195
|
34
|
8
|
12
|
343
|
317
|
70
|
|
GIQ-200
|
200
|
275
|
250
|
40
|
8
|
12
|
440
|
396
|
97
|
|
GIQ-250
|
250
|
330
|
300
|
45
|
8
|
14
|
520
|
467
|
117
|
|
GIQ-300
|
300
|
380
|
350
|
50
|
8
|
14
|
570
|
546
|
117
|
|
GIQ-400
|
400
|
500
|
465
|
60
|
8
|
18
|
720
|
695
|
138
|
|
GIQ-500
|
500
|
600
|
565
|
70
|
12
|
18
|
890
|
360
|
159
|
|
GIQ-600
|
600
|
710
|
670
|
80
|
12
|
20
|
960
|
370
|
174
|
|
GIQ-800
|
800
|
920
|
880
|
100
|
20
|
21
|
1220
|
410
|
240
|
|
GIQ-1000
|
1000
|
1140
|
1090
|
120
|
24
|
23
|
1604
|
580
|
300
|