 |
|
Q71F超薄型法蘭球閥
性能規范Specifications
|
Nominal pressure:PN1.6,2.5,4.0,6.4MPa
|
| Strength testing pressure:PT2.4,3.8,6.0,9.6MPa |
| 公稱壓力:PN1.6,2.5,4.0,6.4MPa |
Seat testing pressure(low pressure):0.6MPa |
| 強度試驗壓力:PT2.4,3.8,6.0,9.6MPa |
Applicable media: |
| 低壓氣密封試驗壓力:0.6MPa |
Q41F-(16-64)C Water.Oil.Gas |
| 適用介質:Q41F-(16-64)C 水,油,氣 |
Applicable temperature:-29~280℃ |
| 適用溫度:-29~280℃ |
Applicable media: |
| 適用介質:Q41F-(16-64)P 硝酸類 |
Q41F-(16-64)P Nitric acid |
| Q41F-(16-64)R 醋酸類 |
Q41F-(16-64)R Acetic acid |
| 適用溫度:-40~280℃ |
Applicable temperature:-40~280℃ |
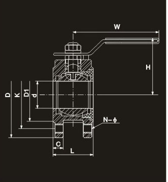
| 主要外形尺寸Main outer size(PN16) |
| DN |
d |
L |
D |
K |
D1 |
N-ф |
C |
f |
H |
W |
| 15 |
15 |
35 |
95 |
65 |
46 |
4-M12 |
14 |
2 |
60 |
100 |
| 20 |
20 |
37 |
105 |
75 |
56 |
4-M12 |
14 |
2 |
70 |
110 |
| 25 |
25 |
42 |
115 |
85 |
65 |
4-M12 |
14 |
2 |
80 |
125 |
|
32
|
32 |
53 |
135 |
100 |
76 |
4-M16 |
16 |
3 |
90 |
150 |
| 40 |
38 |
62 |
145 |
110 |
85 |
4-M16 |
18 |
3 |
96 |
160 |
| 50 |
50 |
78 |
160 |
125 |
100 |
4-M16 |
18 |
3 |
104 |
180 |
| 65 |
58 |
90 |
180 |
145 |
118 |
4-M16 |
10 |
3 |
110 |
200 |
| 80 |
76 |
110 |
195 |
160 |
132 |
8-M16 |
20 |
3 |
130 |
250 |
| 100 |
90 |
134 |
215 |
180 |
156 |
8-M16 |
22 |
3 |
145 |
270 |
主要零件材料Materials of main parts
|
零件名稱
Description of parts
|
Q41F-(16-64)C |
|
|
|
|
|
|
|
|
閥蓋 Bonnet
|
WCB |
ZG1Cr18Ni9i
CF8
|
ZG1Cr18Ni12Mo2Ti
CF8M
|
|
|
|
|
|
|
|
|
|
|
|
|
聚四氟乙烯Polytetrafluorethylene(PTEE) |
|
|
聚四氟乙烯Polytetrafluorethylene(PTEE) |
|
免責聲明:以下信息由企業自行提供,內容的真實性、準確性和合法性由發布企業負責。鍋爐信息網對此不承擔任何保證責任。