v
 |
|
PFLI-F、PFLM-F高壓藍式過濾器

|
|
概述:
藍式過濾器用油或其它液體管道上,過濾管道里的雜物,過濾孔面積比通徑管面積大于2-3倍.遠遠超過Y型、T型過濾器過濾面積。過濾器精度在過濾器中屬于一種精度最佳的過濾器,濾網結構與其它過濾網不一樣。
工作原理:
管道在安裝時會有其它雜物帶入管道,在生產中原材料中也含有雜物。管道里液體經過過濾器時它的污物由過濾器收藏到濾網中,在一定的程度時打開殼蓋清理濾網即可。
技術參數:
工作壓力:1.6-25.0Pa 介質:油、水、氣 殼體:鋼管焊制 過濾精度:0.22-1.0mm 濾芯、濾網:304材料
|
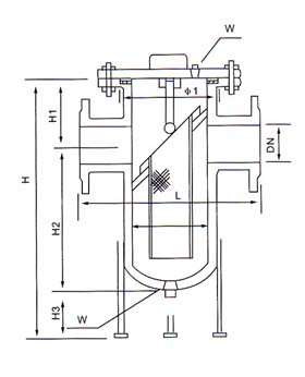
藍式過濾器外型連接尺寸: 1.6MPa
| DN |
φ |
L |
H1 |
H |
W |
| 25 |
89 |
220 |
90 |
260 |
R1/2 |
| 32 |
89 |
220 |
95 |
270 |
R1/2 |
| 40 |
114 |
280 |
110 |
300 |
R1/2 |
| 50 |
133 |
280 |
120 |
310 |
R1/2 |
| 65 |
140 |
330 |
130 |
350 |
R3/4 |
| 80 |
168 |
340 |
140 |
400 |
R3/4 |
| 100 |
219 |
420 |
160 |
470 |
R3/4 |
| 150 |
273 |
500 |
190 |
620 |
R3/4 |
| 200 |
325 |
560 |
220 |
770 |
R3/4 |
|
藍式過濾器外型連接尺寸: 2.5MPa
| DN |
φ |
L |
H1 |
H2 |
H3 |
H |
W |
| 100 |
219 |
420 |
160 |
310 |
120 |
590 |
R3/4 |
| 150 |
273 |
500 |
190 |
430 |
130 |
750 |
R3/4 |
| 200 |
325 |
560 |
220 |
550 |
150 |
920 |
R3/4 |
| 250 |
426 |
680 |
270 |
660 |
170 |
1100 |
R3/4 |
| 300 |
480 |
750 |
320 |
860 |
200 |
1380 |
R1" |
| 350 |
540 |
800 |
350 |
1030 |
200 |
1580 |
R1" |
|
|
免責聲明:以下信息由企業自行提供,內容的真實性、準確性和合法性由發布企業負責。鍋爐信息網對此不承擔任何保證責任。