 |
| QJH系列高壓球芯截止閥 |
圖形符號

型號說明
① 系列代號Series Code:QJH系列高壓球芯截止閥
② 壓力等級Pressure Grade:H-32MPa
③ 公稱通徑Nominal Path:6、10、15、20、25、32、40、50、65、80mm
④ 連接形式Joint Model:B-板式、F-法式、NL-內螺紋連接、WL-外螺紋連接
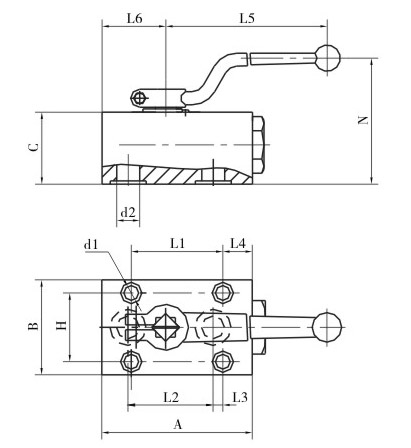
外形尺寸

|
型號
|
A
|
B
|
C
|
L1
|
L2
|
L3
|
L4
|
L5
|
L6
|
H
|
N
|
d1
|
d2
|
|
QJH-10B
|
80
|
54
|
42
|
60
|
45
|
11
|
13
|
105
|
33
|
38
|
62
|
Ф8.5
|
Ф9
|
|
QJH-15B
|
92
|
58
|
44
|
56
|
52
|
6
|
18
|
147
|
39
|
42
|
77
|
Ф8.5
|
Ф14
|
|
QJH-20B
|
108
|
70
|
52
|
70
|
60
|
8.5
|
21.5
|
185
|
45
|
50
|
90
|
Ф11
|
Ф18
|
|
QJH-25B
|
125
|
75
|
60
|
80
|
72
|
11
|
20
|
185
|
54.5
|
55
|
99
|
Ф11
|
Ф24
|
|
QJH-32B
|
152
|
98
|
71
|
120
|
90
|
19
|
16
|
240
|
69.5
|
75
|
111
|
Ф13
|
Ф30
|
|
QJH-40B
|
185
|
120
|
93
|
150
|
110
|
23
|
20
|
240
|
80
|
90
|
129
|
Ф17
|
Ф38
|

|
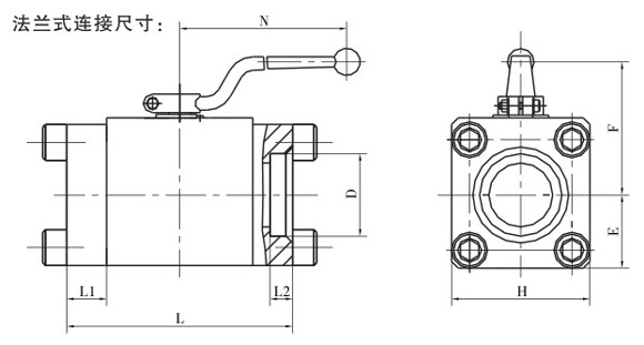
型號
|
D
|
L
|
L1
|
L2
|
H
|
F
|
E
|
N
|
|
QJH-50F1
|
Ф62
|
170
|
30
|
17
|
104
|
118
|
55
|
240
|
|
QJH-65F1
|
Ф77
|
220
|
45
|
22
|
126
|
132
|
67
|
—
|
|
QJH-80F1
|
Ф91
|
240
|
45
|
25
|
139
|
142
|
75
|
—
|
內螺紋連接尺寸:
|
型號
|
A
|
B
|
C
|
L
|
H×a
|
2-D
|
|
QJH-06NL
|
13.5
|
27
|
105
|
67
|
33×26
|
M16×1.5
|
|
QJH-10NL
|
16
|
40
|
105
|
76
|
36×32
|
M18×1.5
|
|
QJH-15NL
|
19
|
45
|
147
|
88
|
45×38
|
M27×2
|
|
QJH-20NL
|
25
|
46
|
185
|
100
|
55×48
|
M33×2
|
|
QJH-25NL
|
28.5
|
59
|
185
|
116
|
64×57
|
M42×2
|
|
QJH-32NL
|
37.5
|
74
|
240
|
130
|
84×75
|
M48×2
|
|
QJH-40NL
|
42.5
|
88
|
240
|
140
|
95×85
|
M60×2
|
外螺紋連接尺寸:
|
型號
|
A
|
B
|
C
|
L
|
H×a
|
2-D
|
|
QJH-06WL
|
13.5
|
27
|
105
|
71
|
33×26
|
M16×1.5
|
|
QJH-10WL
|
16
|
40
|
105
|
86
|
36×32
|
M22×1.5
|
|
QJH-1WNL
|
19
|
45
|
147
|
96
|
45×38
|
M30×1.5
|
|
QJH-20WL
|
25
|
46
|
185
|
112
|
55×48
|
M36×2
|
|
QJH-25WL
|
28.5
|
59
|
185
|
122
|
64×57
|
M42×2
|
|
QJH-32WL
|
37.5
|
74
|
240
|
145
|
84×75
|
M52×2
|
|
QJH-40WL
|
42.5
|
88
|
240
|
163
|
95×85
|
M60×2
|
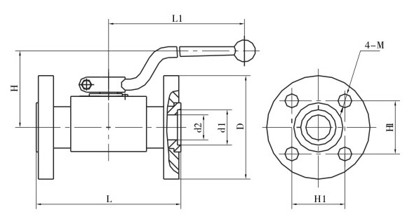
法蘭式連接尺寸:
|
型號
|
L
|
L1
|
H
|
H1
|
D
|
d1
|
d2
|
M
|
|
QJH-10F
|
103
|
105
|
44
|
36
|
Ф68
|
Ф22
|
Ф10
|
M10
|
|
QJH-15F
|
113
|
147
|
46
|
40
|
Ф75
|
Ф24
|
Ф15
|
M10
|
|
QJH-20F
|
117
|
185
|
48
|
42
|
Ф78
|
Ф30
|
Ф20
|
M10
|
|
QJH-25F
|
133
|
185
|
56
|
56
|
Ф100
|
Ф35
|
Ф23
|
M12
|
|
QJH-32F
|
145
|
240
|
63
|
62
|
Ф110
|
Ф45
|
Ф32
|
M12
|
|
QJH-40F
|
175
|
240
|
74
|
73
|
Ф130
|
Ф50
|
Ф38
|
M16
|
|
|
免責聲明:以下信息由企業自行提供,內容的真實性、準確性和合法性由發布企業負責。鍋爐信息網對此不承擔任何保證責任。