 |
|
FQ41F放料球閥FEP(F46)、PCTFE(F3)襯氟放料球閥適用在-50℃~150℃的各種濃度的王水、硫酸、鹽酸、氫氟酸和各種有機酸、強酸、強氧化劑,FEP還適用于各種濃度的強堿有機溶劑以及其它腐蝕性氣體、液體介質的管路上使用。
|
|
|
|
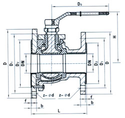
| 襯氟放料球閥、L值為企業標準,左法蘭比右法蘭大一檔,D1與反應釜連接,分子為右法蘭尺寸,分母為左法蘭JB78尺寸,配反應釜50L-5000L。 |
| 公稱通徑 |
PN 0.6-1.6(MPa)主要外形尺寸和連接尺寸(mm) |
重量 |
| DN |
L |
D |
D1 |
D2 |
f |
b |
z-φd |
D0 |
H |
kg |
| 32 |
140 |
135/160 |
100/130 |
78/115 |
3/3 |
18/20 |
4-φ14/4-φ18 |
200 |
130 |
9 |
| 40 |
160 |
145/185 |
110/150 |
85/125 |
3/4 |
18/22 |
4-φ18/4-φ18 |
230 |
135 |
15 |
| 79標 |
50 |
170 |
160/205 |
125/170 |
100/140 |
3/4 |
20/24 |
4-φ18/4-φ18 |
250 |
140 |
18 |
| 80 |
200 |
195/245 |
160/200 |
130/175 |
4/5 |
22/26 |
4-φ18/8-φ18 |
300 |
205 |
35 |
| 69標 |
50 |
170 |
160/230 |
125/190 |
100/140 |
3/4 |
20/24 |
4-φ18/8-φ14 |
250 |
140 |
18 |
| 80 |
200 |
195/245 |
160/210 |
130/175 |
4/5 |
22/26 |
4-φ18/10-φ14 |
300 |
205 |
35 |
| 100 |
280 |
215/280 |
180/240 |
150/210 |
4/5 |
24/28 |
8-φ18/8-φ23 |
350 |
230 |
44 |
|
|
免責聲明:以下信息由企業自行提供,內容的真實性、準確性和合法性由發布企業負責。鍋爐信息網對此不承擔任何保證責任。