| 3、 |
全自動盤式過濾系統的組成 |
| |
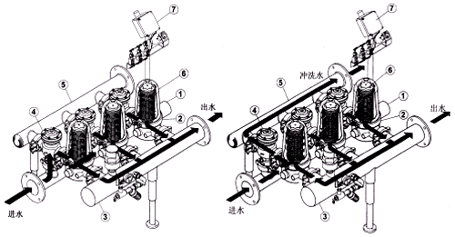
過濾系統由一至六個模塊化的過濾單元組合而成,由共同的進水口、出水口及排污口連接在一起(圖十二)。過濾器主要包括下列組件:
● 主進水口
● 過濾器殼
● 總出水口
● 反沖閥
● 總排污口
● 過濾單元(盤片組)
● 控制器 |
| 4、 |
盤式過濾系統工作原理 |
| |
| 1) |
工作狀態 |
| |
污水經總進水管(1)流入過濾器中,經過超級反沖閥(4)(此狀態下反沖閥允許水過過濾器同時關閉排水口)流向過濾器的每只過濾盤片組(6),在過濾工序中,污物被攔截在各濾盤組中(在盤片上的曲線棱構成的空間內)。濾后清水流出各濾盤組(6)的內部通道進入總出水口,并從出水口直接供向系統用水工段。 |
| 2) |
反沖狀態 |
| |
污物在濾盤組內的積聚引起各濾盤組(6)進出口間的壓力差,當過濾器的壓差(ΔP)達到一個預先設定的數值,系統自動開始一反沖洗過程。系統上的第一只反沖閥(4)先打開,同時引發幾個動作:沖洗閥(4)關閉過濾器單元的出水口,打開反沖排污口(5)。系統中其他過濾單元的濾后清水經總出水口(3)進入處于反洗狀態的過濾單元,通過出水口,流入盤片組(6)內部,與污物一起從盤片組(6)的外緣流出,流向排污口(5)。
通過這種方式,水流將整個盤片組上的污物清除干凈。
反沖洗循環由控制器(7)上的壓差數據控制,并通過時間控制器的信號開啟和關閉沖洗閥(4)。控制器(7)控制沖洗過程,以使在同一時間僅有一只過濾單元處于反沖洗狀態,同時其他過濾單元繼續向系統中提供干凈的清水。沖洗過程持續一定時間后自動停止,持續的時間可以預先在控制器上設定。 |
| |
 |
|
免責聲明:以下信息由企業自行提供,內容的真實性、準確性和合法性由發布企業負責。鍋爐信息網對此不承擔任何保證責任。