產品用途
中低壓調壓器可用于中型爐窯等工業用戶,也可用于樓棟或單元調壓,此類調壓器備有超壓自動切斷裝置,由人工復位。是用于樓棟調壓或單元調壓的典型設備。
產品特點
體積小、流量大、性能穩定、安全可靠、燃氣適應范圍廣,也可與閥門、進口三通、出口三通、放散閥等組裝成箱式、單獨加旁通帶安全放散的壁掛式小型調壓箱。
主要技術參數
進口壓力P1:0.02-0.4MPa
出口壓力P2:1.0-30KPa(可調)
穩壓精度εP2:±15%
安全切斷動作壓力:2-40KPa
流量表
Nm3/h(空氣)
| 規格型號 | 通徑(DN) (mm) | 出口壓力 P2 (KPa) | 進口壓力P1(MPa) | ||||
| 0.02 | 0.05 | 0.1 | 0.2 | 0.3 | |||
| RTZ-25/0.4Q | 25 | 1.0 | 15 | 29 | 38 | 44 | 58 |
| 1.5 | 14 | 27 | 36 | 42 | 54 | ||
| 2.5 | 12 | 26 | 32 | 44 | 56 | ||
| RTZ-40/0.4Q | 40 | 1.0 | 19 | 46 | 60 | 78 | 125 |
| 1.5 | 16 | 45 | 59 | 75 | 110 | ||
| 2.5 | 14 | 42 | 56 | 71 | 106 | ||
| RTZ-50/0.4Q | 50 | 1.0 | 36 | 52 | 68 | 91 | 160 |
| 1.5 | 32 | 50 | 64 | 88 | 149 | ||
| 2.5 | 30 | 48 | 62 | 82 | 146 | ||
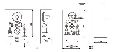
結構示意圖



