|
公司基本資料信息
|
|||||||||||||||||||||||||
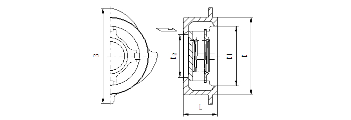
配套產品 產品簡介: DN系列對夾式止回閥安裝在水泵吐出口管路上,在水泵啟動或停止運轉時,能自動調節最隹的啟動或停止速度,節約能源,有效地消除“水錘”現象。使用304材料,耐腐蝕性能優良。 工作條件: 工作壓力:0.001~4.0MPa 介質溫度:0~350℃ 型號意義: DN50 DN ── 對夾式止回閥 50 ── 管路通徑(mm) 外形安裝尺寸 型號 Dg D D1 L B DN15 φ15 φ43 φ28 16 65 DN20 φ20 φ53 φ33 19 70 DN25 φ25 φ62.5 φ41 22 80 DN32 φ32 φ72 φ48 28 90 DN40 φ40 φ80 φ58 32 100 DN50 φ50 φ92 φ71 40 115 DN65 φ65 φ115 φ86 42 140 DN80 φ80 φ132 φ107 50 153 DN100 φ100 φ160 φ132 55 185 相關參數 管路損耗參考表 管徑 流??? 量?? (l/s) 1 2 4 6 8 10 直管磨擦損失簡表(近似) 25 3.27 13.0 38 3.5 14 55 15 20 50 0.8 3.1 13 29 25 30 65 0.8 3.2 7.1 13 20 40 50 80 0.4 1.6 3.3 5.9 9.6 21.6 60 70 100 0.4 0.8 1.3 2.1 6.8 8.6 13 19.4 80 90 125 0.23 0.4 0.63 1.3 2.7 4.1 5.9 10.7 100 110 150 0.16 0.26 0.58 1.1 1.6 2.3 4.2 6.4 9.4 175 0.11 0.27 0.5 0.74 1.05 1.9 2.9 4.3 5.8 7.7 9.6 200 0.13 0.26 0.37 0.53 0.93 1.5 2.1 2.9 3.7 4.7 6.1 7.2 250 0.07 0.12 0.18 0.30 0.48 0.68 0.93 1.2 1.5 1.9 2.3 閥及彎管折合直徑長度 種類 折合直管直徑倍數 備注 全開閥門 12 未暢開加倍 標準彎管 25 逆止閥 100 底閥 100 部分堵塞加倍 注:例如100 mm直徑管,流量為8 l/s,底閥折100倍直徑等于100×100=10000 mm=10 m直徑長度,查上表,直管每100 m損失1.3 m,即一個100底閥,流量為8 l/s時,則損失揚程0.13m。 相應管路直徑的最大流量限制 管路直徑 最 大 流 量 最大流速 mm l/s m3/h m/s 25 1 3.6 2.04 38 2.5 9 1.69 50 4.17 15 2.12 65 6.67 24 2.01 80 10.0 36 2.26 100 18.4 66 2.33 125 30.0 108 2.44 150 43.0 155 2.45 175 60.0 216 2.49 200 83.3 300 2.69 250 133.0 480 2.72 進出口法蘭相對位置如圖示 (頂視)


(mm)
100米直管損失米數
以新鑄鐵管為標準,舊管加倍, , , 