|
公司基本資料信息
|
|||||||||||||||||||||||||||
100X遙控浮球閥
產品型號:100X
產品名稱:遙控浮球閥
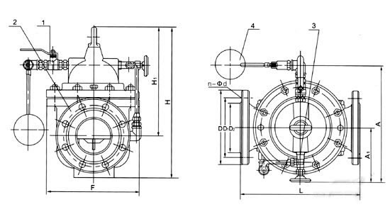
當管道從進水端給水時,由于針閥、球閥、浮球閥是常開的,水通過微型過濾器、針閥、控制室、球閥、浮球閥進入水池,此時控制室不形成壓力,主閥開啟,水塔(池)供水。
當水塔(池)的水面上升至設定高度時,浮球浮起關閉浮球閥,控制室內水壓升高,推動主閥關閉,供水停止。當水面下降時,浮球閥重新開啟,控制室水壓下降,主閥再次開啟繼續供水,保持液面的設定高度。
二、100X遙控浮球閥主要技術參數
|
公稱壓(Mpa)
|
殼體試驗壓力(MPa)
|
密封試驗壓力(MPa)
|
適用介質
|
介質溫度(℃)
|
|
1.0
|
1.5
|
1.1
|
水
|
0-80
|
|
1.6
|
2.4
|
1.76
|
||
|
2.5
|
3.75
|
2.75
|
|
零件名稱
|
零件材料
|
|
閥體 閥蓋
|
WCB
|
|
閥座 閥盤
|
銅合金
|
|
密封圈 O型圈
|
丁腈橡膠
|
|
閥桿
|
2Cr13
|
|
彈簧
|
50CrVA
|
|
針型閥
|
銅合金
|
|
球閥
|
銅合金
|
|
浮球閥
|
銅合金
|
|
微型過濾器
|
不銹鋼
|

|
公稱通徑
|
尺 寸(mm)
|
|||||
|
DN(mm)
|
L
|
A1
|
A
|
H1
|
H
|
F
|
|
20
|
150
|
130
|
325
|
179
|
212
|
116
|
|
25
|
160
|
130
|
325
|
179
|
212
|
116
|
|
32
|
180
|
130
|
325
|
179
|
212
|
116
|
|
40
|
200
|
140
|
335
|
210
|
265
|
168
|
|
50
|
203
|
140
|
335
|
210
|
265
|
168
|
|
65
|
215
|
140
|
335
|
215
|
310
|
180
|
|
80
|
241
|
145
|
345
|
245
|
350
|
210
|
|
100
|
270
|
155
|
365
|
305
|
460
|
284
|
|
125
|
300
|
165
|
385
|
365
|
520
|
310
|
|
150
|
330
|
180
|
410
|
415
|
570
|
370
|
|
200
|
400
|
205
|
465
|
510
|
840
|
463
|
|
250
|
480
|
225
|
505
|
560
|
890
|
525
|
|
300
|
550
|
245
|
545
|
658
|
1030
|
625
|
|
350
|
622
|
275
|
595
|
696
|
1090
|
705
|
|
400
|
685
|
285
|
625
|
735
|
1150
|
778
|
|
450
|
750
|
285
|
625
|
735
|
1150
|
778
|
|
500
|
811
|
410
|
780
|
750
|
1110
|
690
|
|
600
|
935
|
456
|
888
|
850
|
1286
|
785
|

免責聲明:以下信息由企業自行提供,內容的真實性、準確性和合法性由發布企業負責。鍋爐信息網對此不承擔任何保證責任。