|
公司基本資料信息
|
|||||||||||||||||||||||||||
一、概述:
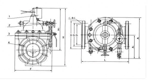
600X水力電動控制閥由主閥、電磁導閥、針閥、球閥、微形過濾器和壓力表組成水力控制接管系統。通過電磁導閥可以實現對閥門開啟和關閉的遙控。加裝附加裝置后,可控制開啟和關閉的速度。當閥門從進口端給水時,水流流過針閥進入主閥控制室,當電磁導閥打開時控制室內的水經電磁導閥、球閥流出。球閥開度大于針閥開度,主閥控制室內壓力很低,主閥處于全開狀態。當電磁導閥關閉時,主閥控制室的水不能流出,控制室升壓。推動膜片關閉主閥。本產品利用導閥控制閥門的開啟和關閉,節省能源。可代替其它閥門大型電動裝置,廣泛用于高層建筑、生活區等供水管網系統及城市供水工程。主要閥門零件材質如下表:
|
零件名稱
|
材質
|
|
閥體、閥蓋
|
鑄鐵、鑄鋼、不銹鋼
|
|
閥座
|
錫青銅、不銹鋼
|
|
閥瓣
|
碳鋼、不銹鋼+丁腈橡膠
|
|
閥桿
|
鋁青鋼、鉻不銹鋼
|
|
膜片
|
丁腈橡膠
|
|
膜片壓板
|
碳鋼、不銹鋼
|
|
彈簧
|
不銹鋼
|

|
公稱通徑
DN(mm)
|
尺 寸(mm)
|
|||
|
L
|
F1
|
H1
|
H
|
|
|
20
|
150
|
136
|
269
|
342
|
|
25
|
160
|
136
|
269
|
342
|
|
32
|
180
|
136
|
269
|
342
|
|
40
|
200
|
155
|
300
|
395
|
|
50
|
203
|
155
|
300
|
395
|
|
65
|
216
|
165
|
288
|
385
|
|
80
|
241
|
175
|
310
|
420
|
|
100
|
270
|
195
|
340
|
500
|
|
125
|
300
|
220
|
380
|
540
|
|
150
|
330
|
230
|
410
|
575
|
|
200
|
400
|
255
|
440
|
665
|
|
250
|
480
|
300
|
460
|
720
|
|
300
|
550
|
340
|
480
|
750
|
|
350
|
622
|
415
|
516
|
830
|
|
400
|
685
|
450
|
560
|
900
|
|
450
|
750
|
450
|
560
|
900
|
|
500
|
811
|
410
|
750
|
1110
|
|
600
|
935
|
456
|
850
|
1286
|
免責聲明:以下信息由企業自行提供,內容的真實性、準確性和合法性由發布企業負責。鍋爐信息網對此不承擔任何保證責任。